欢迎访问班尼戈科技(上海)有限公司官网网站!
400-820-4057
班尼戈科技(上海)有限公司
诚信服务第8年
Benigo Technology (Shanghai) Co., LTD
热门关键词:班尼戈  班尼戈官网  班尼戈网站  班尼戈阀门  班尼戈阀门网站
整站搜索:
……
您所在的位置:
产品详细信息
产品中心
PRODUCTS
诚信经营的一贯宗旨!知客户之所需,供客户之所求,急客户之所想!同样的产品我们的质量更优,同样的质量我们的价格更低,同样的价格我们的服务更好。
电动对夹式软密封蝶阀-D971X
    发布时间: 2023-12-26 09:43    
  • 质量稳定:实行全过程质量监控,细致入微,各方面检测!

  • 价格合理:有效内部成本控制,减少了开支,让利于客户!

  • 交货快捷:先进生产流水线,充足的备货,缩短了交货期!


电动对夹式软密封蝶阀-D971X

D971X电动对夹式软密封蝶阀采用双偏心结构,具有越关越紧的密封功能,密封性能可靠。密封副材料选用不锈钢和丁腈耐油橡胶配对,使用寿命长。橡胶密封圈即可位于阀体上,也可以位于蝶板上,可适用不同特点的介质,供用户选择。蝶板采用框架结构,强度高,过流面积大,流阻小。整体烤漆、能you效地防止锈蚀且只要更换密封阀座密封材料,就可使用于不同介质。D971X电动对夹蝶阀具有双向密封功能,安装时不受介质流向的控制,也不受空间位置的影响,可在任何方向安装。本阀结构Du特,操作灵活,省力,方便。

电动对夹式软密封蝶阀 结构特点与用途

D971X电动对夹式蝶阀采用对夹板式结构,主要由阀体,阀板,阀轴,阀座及传动装置组成,结构简单紧凑,小巧轻便,运输,安装,拆卸方便;90°的启闭,开关迅速,操作扭矩小,省力轻巧;密封性能好,使用寿命长,可达到零泄露;其流量特性近似于直线,调节性能好。D971X电动对夹蝶阀为橡胶密封,关闭时蝶板和阀座密封性能良好,双向密封性能优良,扭矩值小,阀门在工作压力下保持,且蝶板与阀座密封之间的磨擦小。阀门由阀轴驱动阀板,阀板做90°转动。蝶板启闭灵活,无卡涩、跳动现象,扭矩小。用途:上海奇高阀门制造有限公司研制的软密封中线对夹式蝶阀,双偏心法兰式蝶阀结构紧凑,90°回转开关轻松,密封可靠,使用寿命长。被广泛用于水厂、电厂、钢厂、造纸、化工、轻纺、食品等给排水、气体管道上作调节流量和截流介质的作用。

电动对夹式软密封蝶阀 执行机构

电动执行机构技术参数:电源AC110、220、380V、DC24,公称通径DN50~1200mm,输出力矩50N·M~2000N·M,公称压力PN0.6、1.0、1.6Mpa,功能选型:开关型、无源触点型、阀位信号反馈型、智能调节型。适用温度≤120℃,适用介质水、气、油品及弱腐蚀性流体,输入信号4-20mA,1-5V,0-10V;输出信号:4-20mA,1-5V,0-10V。使用方便:采用单相电源,接线简单;采用的球型凸出结构,使观察更方便;免加油免点检、防水防锈、任意角度安装。保护装置有双重限位、过热保护、过载保护。全行程时间5秒、10秒、15秒、30秒、45秒、60秒。及带手动功能。内置模块采用新型计算机单片及智能控制软件直接接收计算机或工业仪表等输出的标准信号(4-20mA DC /1-5VDC)实现阀门开度的智能控制和定位。
也可选用3810系列或PSQ系列,大口径阀门一般采用380VAC电动执行器。

电动对夹式软密封蝶阀 零件材料


零件名称

材料

阀体

灰铸铁、球墨铸铁、铸钢、不锈钢、特殊材料

蝶板

球墨铸铁、铸钢、不锈钢、合金钢

阀轴

2Cr13、不锈钢

密封圈

各种橡胶、聚四氟乙烯

填料

O型圈、柔性石墨


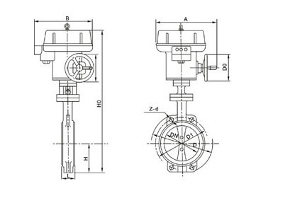
电动对夹式软密封蝶阀 外形尺寸


DN

L

H

H1

A

B

0.6MPa

1.0MPa

1.6MPa

DO

n-d

DO

n-d

DO

n-d

50

43

63

306

180

200

110

4-14

125

4-18

125

4-18

65

46

70

321

180

200

130

4-14

145

4-18

145

4-18

80

46

83

346

180

200

150

4-18

160

8-18

160

8-18

100

52

105

387

180

200

170

4-18

180

8-18

180

8-18

125

56

115

411

180

200

200

8-18

210

8-18

210

8-18

150

56

137

447

270

280

225

8-18

240

8-22

240

8-22

200

60

164

572

270

280

280

8-18

295

8-22

295

8-22

250

68

206

646

270

280

335

12-18

350

12-22

355

12-26

300

78

230

738

380

420

395

12-22

400

12-22

410

12-26

350

78

248

761

380

420

445

12-22

460

16-22

470

16-26

400

102

289

877

450

470

495

16-22

515

16-26

525

16-30

450

114

320

938

480

490

550

16-22

565

20-26

585

20-30

500

127

343

993

480

490

600

20-22

620

20-26

650

20-33

600

154

413

1131

480

490

705

20-26

725

20-30

770

20-36

700

165

478

1476

640

660

810

24-26

840

24-30

840

24-36

800

190

525

1533

640

660

920

24-30

950

24-33

950

24-39

900

203

585

1655

750

860

1020

24-30

1050

28-33

1050

38-39

1000

216

640

1765

850

900

1120

28-30

1160

28-36

1170

28-42

1200

254

755

1995

850

900

1340

32-33

1380

32-39

1390

32-48


您的姓名
您的联系电话
内容
提交